Výtopna Hradčany - Vizualizace parních kotlů a hlavní předávací stanice. Realizace: LAMAL s.r.o.
| Klient | |
|---|---|
| Publikováno | 16. října 2024 |
| Kategorie | Průmyslová automatizace |
| Tagy |
- Země: Česká republika
- Název akce: Výtopna Hradčany, Vizualizace parních kotlů a hlavní předávací stanice
- Realizace: LAMAL s.r.o., Pertoltice pod Ralskem 72, 471 24 Mimoň
- Rok realizace: 2010 - 2012
- Řídicí systém: 5x Tecomat Foxtrot CP-1005
- Programové vybavení: Runtime Control 3 000 datových bodů
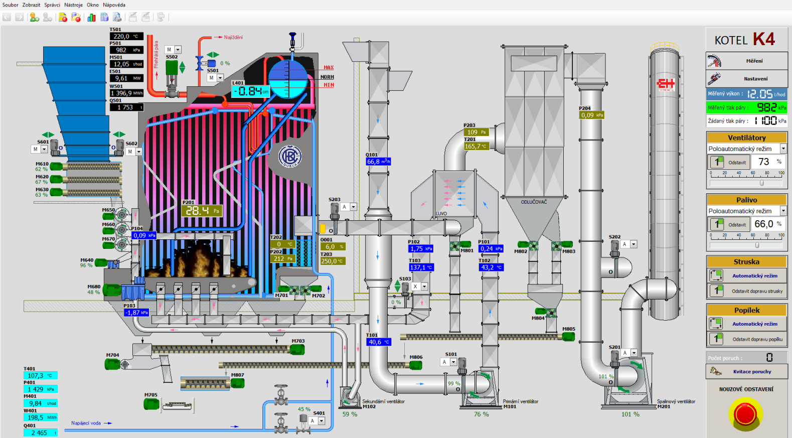
Během roku 2010 – 2012 realizovala společnost Lamal s.r.o. kompletní výměnu řídicího systému pro parní kotle a předávací stanici CZT Mimoň - Výtopna Hradčany.
CZT Mimoň - Výtopna dodává teplo a teplou užitkovou vodu pro převážnou většinu domácností města Mimoň a přilehlých obcí. Jako tepelný zdroj je využívána parní uhelná kotelna, vybudovaná na konci 80-tých let, jako zdroj pro blízké armádní letiště a objekty. Přečtěte si o tomoto středoevropském unikátu celý článek.
Hlavní předávací stanice byla řízena zastaralým a poruchovým systémem. Nový řídicí systém zajistil plynulý provoz s maximálním komfortem pro obsluhu. Na parních kotlích o výkonu 16t/hod byla použita řada autonomních regulátorů a zobrazovačů, samotná funkce kotle byla podmíněna častými zásahy obsluhy. Implementací nového řídicího systému se obsluha kotle zredukovala na minimum provozních zásahů a plně automatizovala. Konečnou fází byla realizace nového hardwarového a softwarového vybavení dispečinku. Jednotlivé technologie jsou prostřednictvím systému Reliance 4 přehledně zobrazeny na LCD monitorech. Obsluha je schopna centrálně sledovat a obsluhovat převážnou většinu použitých technologii.
Celou referenci si můžete přečíst na serveru www.reliance.cz.
