Turning a dry and hot desert into a green landscape could, until recently, sound like a dream or a fairy tale. In practice, large amounts of water would be needed to make such a change. But where in the desert can one find such huge quantities of water? From the air and the sun.
S.A.W.E.R. (Solar Air Water Earth Resource) is autonomous device, which can transform a dry and hot desert into a green landscape through water from the air and solar energy. It means it can producen water from the air that can be used for human consumption, feeding livestock or irrigating plants. It is composed of two systems, one for extracting water out of the desert air and the other for cultivating the desert into fertile land. Tecomat Foxtrot system is used in this device to control the entire water production process.
| Client | |
|---|---|
| Published | September 12, 2024 |
| Category | Others |
| Tags |
Turning a dry and hot desert into a green landscape could, until recently, sound like a dream or a fairy tale. In practice, large amounts of water would be needed to make such a change. But where in the desert can one find such huge quantities of water? From the air and the sun.
S.A.W.E.R. (Solar Air Water Earth Resource) is autonomous device, which can transform a dry and hot desert into a green landscape through water from the air and solar energy. It means it can producen water from the air that can be used for human consumption, feeding livestock or irrigating plants. It is composed of two systems, one for extracting water out of the desert air and the other for cultivating the desert into fertile land. Tecomat Foxtrot system is used in this device to control the entire water production process.
S.A.W.E.R. development
In February 2017, Jiří F. Potužník came with the idea of origin of the S.A.W.E.R. as part of the concept of the Czech Republic's participation in EXPO 2020 in Dubai. The system that produces water from the air using solar energy and cultivating the desert using subsurface cultures should be the technological core of the national exposition.
The University Centre for Energy Efficient Buildings (UCEEB) and the Faculty of Mechanical Engineering of the Czech Technical University in Prague were working on the development of the technology S.A.W.E.R. in cooperation with the Botanical Institute of the Academy of Sciences of the Czech Republic.
Scientists launched the S.A.W.E.R. system in United Arab Emirates in summer 2019. The testing of the system was done in the Sweihan desert in UAE for about six months so that data from operation in extreme summer conditions as well as in autumn and winter are available. Experience gained from the test operation was used by engineers when designing the device for the Czech pavilion at EXPO 2020 in Dubai. This unit with the production capacity of 500 litres of water per day that uses the same technology as the container version and it was designed as a part of the pavilion technology and it irrigates the oasis growing from the sand around the pavilion.
Device principle
The S.A.W.E.R. autonomous unit consists of two containers – production and energy ones. The production container comprises the sorption unit, water reservoir, and a plant for treatment of the drinking water. Energy container comprises the battery repository, storage tanks for heat and cold. The solar roof is constructed over both containers. By connecting the roof with the containers, it is possible to produce and supply the drinking water autonomously without a connection to energy grid. The outside dimensions of the containers in the top view are 2.4 × 6.0 m and the height is 2.9 m.
The system for the acquisition of water from the air, is used as a two-stage system in which ta desiccant – a material that binds water to itself through adsorption- is used in the first stage. The desiccant removes the water contained in the outside air and holds it on its surface. The dehumidified air is then taken back outside. At the same time, additional desert air with its natural water content is taken from the outside and heated up to the point, where the water vapour stuck on the surface desiccant is released into the desert air and humidifies it. That is because the heated air can bind a larger amount of water vapour. This increases the overall humidity of the air reaching the cooler, compared to the humidity of desert air. Thanks to this, a much larger amount of water can be obtained from the air by condensing it on the cooler.
The S.A.W.E.R. type unit uses the total flow rate of outside air of 2000 m3/h and its average daily production is 100 liters in the dry and hot desert environment (climatic conditions of Riyadh) in autonomous operation. In such environment, the S.A.W.E.R. unit production of water, as compared to ordinary condensation-only units, about eight times higher. In case of typical desert conditions (air temperature: 30 °C, relative humidity: 20 %), the S.A.W.E.R. unit produces 8 liters of drinking water every hour, while mere cooling of the air using a cooler with the surface temperature of 5 °C does not produce any water at all.
Making S.A.W.E.R. water drinkable
As a last stage of SAWER technology, EuroClean company developed WatiMin remineralization unit. Raw water have to be filtered, disinfected and remineralized in EuroClean WatiMin device, to become potable for humans and livestock. By EuroClean WatiMin remineralization device, it is possible to set up proper concentration of minerals, such as Calcium, Magnesium and Potassium, according to any world standards.
Autonomous operation
The S.A.W.E.R. unit can be operated in a totally autonomous way without the need of energy from external sources. The energy for its operation (electricity, heating. cooling) is taken from the local environment by solar roof. The energy is stored in the battery repository and the storage tanks of heat and cold. The device can also work in hybrid mode, ie. with partial or complete connection to the mains or mobile power supply. The S.A.W.E.R. it is therefore suitable both for areas connected to infrastructure (water, electricity) and especially for areas where there is no infrastructure. Therefore, the S.A.W.E.R. unit is suitable for areas without any infrastructure at all. The technology is optimized for operation in hot and dry climates (deserts); however, the process can be also adapted for other areas.
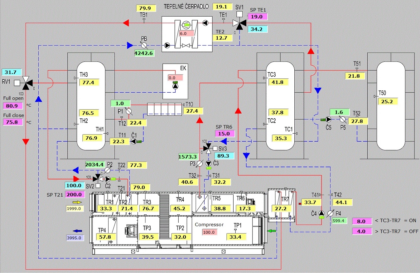
S.A.W.E.R. is controlled by the Tecomat Foxtrot system
Scientists from UCEEB had the positive experience with Tecomat Foxtrot system in their previous projects. That was the reason why they used it in the S.A.W.E.R. device. Foxtrot controls the whole process, including its power supply from solar panels and batteries, but also ensures the connection of the entire device to the Internet of Things (IoT). Through secure communication technology, TecoRoute enables online remote administration, monitoring and service of the entire installation via the Foxtrot website.
